- Wago Products
- Cabur Products
-
Cembre Products
-
Tube terminals - End sleeves
-
Ring - Fork - Pin - Blade terminals
-
Slide cable lug
-
Tube connectors
-
Copper tube crimp lugs
-
Copper single-hole terminal lug for circuit beakers
-
Crimping through/sleeve connectors
-
Aluminum tube crimp lugs
-
Bimetallic tube crimp lugs
-
Terminals in roll
-
Connections for for railway applications
-
Other products Cembre
-
Tube terminals - End sleeves
- Identification and labeling systems
-
Sensors
- Temperature
-
Humidity
-
Pressure transmitters
-
Inductive
-
AC - cylindrical - 2 wires
-
AC - DC - AC/DC - rectangular
-
DC - cylindrical - 2 wires
-
DC - cylindrical - 3 wires
-
DC - for cleaning processes with high pressure and temperature - Ecolab
-
DC - for high temperature
-
Special applications (metal face, analog e.t.c.)
-
Namur and amplifiers
-
Presence and direction of vehicles
-
AC - cylindrical - 2 wires
- Magnetic
- Capacitive
-
Photoelectric
-
Diffuse reflective
-
Diffuse reflective Background suppression
-
Retro-reflective
-
Retro-reflective, Polarized
-
For transparent objects
-
Through-beam
-
Through-beam controllers and sensors
-
Color contrast and color points
-
LASER (narrow beam)
-
Fork Sensor
-
Domestic garage door & Industrial gates control
-
Non conductive liquid level sensor
-
Fibre Optic
-
Diffuse reflective
- Ultrasonic
- Connectors and Cable Plugs
- Level control
- Loop detectors
- Environmental (exterior use)
- Air quality (interior use)
-
Motion - Presence detector - Radar
-
Controls
- Pushbuttons - Selectors - Pilot lights
- Limit switches
- Timers and Timer Switches
- Digital meters-PID Control-Transducer-Converters
- Counters - Tachometers
-
Monitoring relays
-
Speed monitor relay
-
1-ph AC/DC voltage monitoring
-
3-ph voltage monitoring
-
1-ph current monitoring
-
3-ph current monitoring
-
3-ph monitoring, phase loss-sequence, asymmetry etc
-
Frequency monitoring
-
Power monitoring
-
Power factor monitoring
-
Level control
-
Dry running and pump alternating
-
Motor temperature monitoring
-
Temperature - Humidity - CO2
-
Motor monitoring and potection units
-
Wind
-
Speed monitor relay
- Current transformers
-
Earth leakage control
-
Flush mounting earth leakage controllers
-
Internal mounting earth leakage controllers
-
DIN rail mounting earth leakage controllers
-
Earth leakage controllers with incorporated CT
-
Solid-core toroidal current transformers
-
Split-core toroidal current transformers
-
External multiplier for earth leakage controllers
-
Flush mounting earth leakage controllers
- Switching power supplies and Automatic battery chargers
- Surge protection devices
- PLC - Operator panels - Automation units
- Safety modules
-
Automatic transfer switches controllers
- Engine and generator controllers
- Software and applications
-
Switches
- Plug-in industrial relays
-
Power and auxiliary contactors - Thermal overload relays
- Motor protection circuit breakers
-
Solid state relays
-
Single phase, small dimensions
-
1 pole solid state relays without built in heatsink
-
1 pole solid state relays with built in heatsink
-
With 2 or 3 independent or not switching poles
-
For DC loads
-
With soft start and analog functions
-
Special functions: sensing, communication, protection
-
3 pole solid state relays with built in heatsink
-
3 phases solid state relays without built in heatsink
-
Electronic contactors and reversing contactors
-
Hybrid single and 3-phase solid state relays
-
Heatsink and accessories
-
Single phase, small dimensions
- Soft starters
- Frequency drivers / inverters
-
Motor control and protection Units
- Switch disconnectors and Rotary cam switches
-
Molted case circuit breakers (MCCB)
- Miniature circuit breakers - Fuse holders - Residual current operated circuit breakers
-
Automatic transfer switches
- Energy management
-
Installation and Marine products
- Industrial Plugs and sockets
- Interlocked socket outlets
- Enclosures and panels
- Control and Protection
- Lighting
-
Products for exterior installations
- Products for worksite installations
- Products for tunnels
- Explosion-proof products (ATEX)
-
Other Marine Products for Ports, Camping and caravan parks (UNAV)
-
Plugs and sockets (UNAV)
-
Interlocked outlet (UNAV)
-
Connection systems for containers (Lloyd’s)
-
Junction boxes for marine use (UNAV)
-
Control devices and optical signals for marine use (UNAV)
-
Bells, sirens and horns for marine use (UNAV)
-
Lighting fixtures for marine use (UNAV)
-
Distribution turrets for water and electric
-
Fire prevention turrets
-
Plugs and sockets (UNAV)
- Professional electrical tools Cembre
- Access Control & Security Systems
- Explosion-proof products
- Bus (Dupline - Smart House / Building)
- Industrial Networks
- Power factor correction
- Photovoltaics (PV instalations)
- E-mobility
- Stainless Steel lighting systems STRAL
- Omniflow - Smart Cities Solutions
SH2WEB24, SH2DUG24, SH2WBU230N, BTMKNX
Controllers, master channel generatorς and basic units for smart home / building
Product Inquiry
Product Inquiry
DETAILED DESCRIPTION
Programmable controllers SH2WEB24 and SB2WEB24
SH2WEB24: A programmable controller that includes dedicated functions for home automation (light control, temperature control, roller blind control, alarm monitoring, energy monitoring, etc) and smart functions such as sequence control which enables a series of actions to be performed automatically. This controller includes also a Web server and data logger functions.
In order to set up the intelligent functions, the SH2WEB24 has to be configured by the Windows based smart-house configuration software (delivered free on the SD-card together with the SH2WEB24) .
The data logging capabilities for home automation events, environmental data read from smart-house sensors (temperature, light level, ...) and electrical values (energy, power, current, voltage) collected from energy meters and smart-house modules with energy reading and are available as graphs and numbers in formatted tables. The SH2WEB24 performs alarms control, managing also automatic emailing if an Internet connection is available, SMS when combined with SH2UMMF124. All available data can be exported in an .XLSX and .CSV format so to be imported in standard spread sheets for further analysis.
SB2WEB24: Programmable controllers with special functions for building automation (Smart-building) which has similar characteristics with the SH2WEB24 controller, but has additionally specialized functions for complete HVAC control, simple lighting and DALI systems in smart buildings and BACnet / IP gateway. With this specific function is given the opportunity to DDC controllers use sensors and input / output units of Dupline® system as decentralized inputs / outputs via BACnet handling.
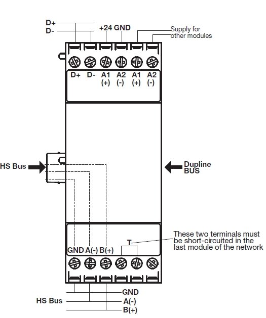
Channel generator for wired networks
SH2DUG24: The master channel generator provides the channel generator output drive for a "traditional" Dupline® network in a smart-Dupline® system, which is controlled by the Sx2WEB24.
Each S_2WEB24 can be connected up to 7 master channel generators in order to have 7 Dupline® and smart Dupline® networks. All the devices are connected via an internal bus if they are in the same cabinet or via terminals if they are mounted on different cabinets.
Each SH2DUG24 must have an address that has to be programmed using the Sx tool.
Channel generator for wireless network
SH2DUG24: This base unit generates the wireless network performing the functions of a wireless access point and router. The generated protocol is called WiDup and it is based on the standard IEEE 802.15.4 at 2.4 GHz.
It is part of the smart-house system and it has to be used together with the controller S_2WEB24.
Each S_2WEB24 can be connected to up to 7 sub master generators in order to have up to 7 wired/wireless networks.
All the devices are connected via an internal bus if they are in the same cabinet or via terminals if they are mounted on different cabinets.
Each SH2DUG24 must have an address that has to be programmed using the Sx tool.
Gateway connection with KNX systems
BTMKNX is plug-in module that provides a gateway between Smart Dupline and KNX/EIB bus. This module is an external plug-in module for BTM-T7-24 or BTM-T4-24 touchscreen display.