- Wago Products
- Cabur Products
-
Cembre Products
-
Tube terminals - End sleeves
-
Ring - Fork - Pin - Blade terminals
-
Slide cable lug
-
Tube connectors
-
Copper tube crimp lugs
-
Copper single-hole terminal lug for circuit beakers
-
Crimping through/sleeve connectors
-
Aluminum tube crimp lugs
-
Bimetallic tube crimp lugs
-
Terminals in roll
-
Connections for for railway applications
-
Other products Cembre
-
Tube terminals - End sleeves
- Identification and labeling systems
-
Sensors
- Temperature
-
Humidity
-
Pressure transmitters
-
Inductive
-
AC - cylindrical - 2 wires
-
AC - DC - AC/DC - rectangular
-
DC - cylindrical - 2 wires
-
DC - cylindrical - 3 wires
-
DC - for cleaning processes with high pressure and temperature - Ecolab
-
DC - for high temperature
-
Special applications (metal face, analog e.t.c.)
-
Namur and amplifiers
-
Presence and direction of vehicles
-
AC - cylindrical - 2 wires
- Magnetic
- Capacitive
-
Photoelectric
-
Diffuse reflective
-
Diffuse reflective Background suppression
-
Retro-reflective
-
Retro-reflective, Polarized
-
For transparent objects
-
Through-beam
-
Through-beam controllers and sensors
-
Color contrast and color points
-
LASER (narrow beam)
-
Fork Sensor
-
Domestic garage door & Industrial gates control
-
Non conductive liquid level sensor
-
Fibre Optic
-
Diffuse reflective
- Ultrasonic
- Connectors and Cable Plugs
- Level control
- Loop detectors
- Environmental (exterior use)
- Air quality (interior use)
-
Motion - Presence detector - Radar
-
Controls
- Pushbuttons - Selectors - Pilot lights
- Limit switches
- Timers and Timer Switches
- Digital meters-PID Control-Transducer-Converters
- Counters - Tachometers
-
Monitoring relays
-
Speed monitor relay
-
1-ph AC/DC voltage monitoring
-
3-ph voltage monitoring
-
1-ph current monitoring
-
3-ph current monitoring
-
3-ph monitoring, phase loss-sequence, asymmetry etc
-
Frequency monitoring
-
Power monitoring
-
Power factor monitoring
-
Level control
-
Dry running and pump alternating
-
Motor temperature monitoring
-
Temperature - Humidity - CO2
-
Motor monitoring and potection units
-
Wind
-
Speed monitor relay
- Current transformers
-
Earth leakage control
-
Flush mounting earth leakage controllers
-
Internal mounting earth leakage controllers
-
DIN rail mounting earth leakage controllers
-
Earth leakage controllers with incorporated CT
-
Solid-core toroidal current transformers
-
Split-core toroidal current transformers
-
External multiplier for earth leakage controllers
-
Flush mounting earth leakage controllers
- Switching power supplies and Automatic battery chargers
- Surge protection devices
- PLC - Operator panels - Automation units
- Safety modules
-
Automatic transfer switches controllers
- Engine and generator controllers
- Software and applications
-
Switches
- Plug-in industrial relays
-
Power and auxiliary contactors - Thermal overload relays
- Motor protection circuit breakers
-
Solid state relays
-
Single phase, small dimensions
-
1 pole solid state relays without built in heatsink
-
1 pole solid state relays with built in heatsink
-
With 2 or 3 independent or not switching poles
-
For DC loads
-
With soft start and analog functions
-
Special functions: sensing, communication, protection
-
3 pole solid state relays with built in heatsink
-
3 phases solid state relays without built in heatsink
-
Electronic contactors and reversing contactors
-
Hybrid single and 3-phase solid state relays
-
Heatsink and accessories
-
Single phase, small dimensions
- Soft starters
- Frequency drivers / inverters
-
Motor control and protection Units
- Switch disconnectors and Rotary cam switches
-
Molted case circuit breakers (MCCB)
- Miniature circuit breakers - Fuse holders - Residual current operated circuit breakers
-
Automatic transfer switches
- Energy management
-
Installation and Marine products
- Industrial Plugs and sockets
- Interlocked socket outlets
- Enclosures and panels
- Control and Protection
- Lighting
-
Products for exterior installations
- Products for worksite installations
- Products for tunnels
- Explosion-proof products (ATEX)
-
Other Marine Products for Ports, Camping and caravan parks (UNAV)
-
Plugs and sockets (UNAV)
-
Interlocked outlet (UNAV)
-
Connection systems for containers (Lloyd’s)
-
Junction boxes for marine use (UNAV)
-
Control devices and optical signals for marine use (UNAV)
-
Bells, sirens and horns for marine use (UNAV)
-
Lighting fixtures for marine use (UNAV)
-
Distribution turrets for water and electric
-
Fire prevention turrets
-
Plugs and sockets (UNAV)
- Professional electrical tools Cembre
- Access Control & Security Systems
- Explosion-proof products
- Bus (Dupline - Smart House / Building)
- Industrial Networks
- Power factor correction
- Photovoltaics (PV instalations)
- E-mobility
- Stainless Steel lighting systems STRAL
- Omniflow - Smart Cities Solutions
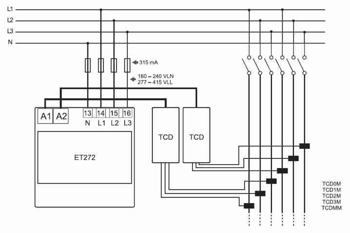
ET272
Self-addressing quick fit energy transducer - Multi-channel power analyzer. Carlo Gavazzi
Product Inquiry
Product Inquiry
DETAILED DESCRIPTION
ET272
The control of all electrical parameters in critical load applications such as data centers, hospitals, etc., requires a detailed monitoring system able to reach any single branch of the distribution system.
In data centers, the server rack cabinets are supplied by PDUs (Power Distribution Units) where different Carlo Gavazzi solutions can already be used (EM271, EM280, WM50). Power distribution based on power bus-bar trucking systems (called “Bus-duct”, and running on the ceiling) is used more and more, nowadays.
With ET272 we offer the commissioning time reducing so reduce the total installation cost
ET272 used with VMU-C EM and its new data center function, provides a self addressing solution to our customers in data centers market, but also whenever a high number of meters are installed and need to be quickly configured.
ET272 is an energy transducer, so capable to be connected in a fast and error-free way to the load under control by means of split-core miniature current transformer groups, via RJ12 connectors. They are equipped with a Modbus RTU port.
ET272, used in combination with our Energy Management web-server VMU-C EM is able to be self-addressed by the system, without the need of any manual programming.
In power bus-bar trucking systems, an energy meter in required in each of the Tap Off Box (the small distribution boxes deriving the power for each load or panel, therefore installed on the ceiling level). During the commissioning, it is necessary to set the serial address manually on each meter, reaching them by a ladder. This process is very time consuming.
With ET272, Carlo Gavazzi eliminates this need. In fact, thanks to the brand new data center function, our Energy Management web-server VMU-C EM is able to automatically assign a Modbus address to each of the installed meter. Furthermore, VMU-C can manage and monitor the data from 80 ET272s.
VMU-C EM is also able to remotely set other programming parameters of the ET272, saving additional time.
In a system with 1 VMU-C EM and 32 ET232, the commissioning time can be reduced by 94% (32 hours in the example).
Specification
- 2 meters in 1: up to 2 three-phase loads
- 6 meters in 1: up to 6 single-phase loads system
- Energy meters with 6+1 DGT readout
- Current measurement up to 400 A with external TCD_M multiple miniature split-core current sensor accessories or up to 10000A with TCDMM adapter
- Auto-detection of the primary current of the external TCD_M multiple miniature split-core current sensor accessories
- Equivalent to Class 1 (kWh) of EN62053-21 (ET272 w/o TCD)
- Equivalent to Class 2 (kvarh) of EN62053-23 (ET272 w/o TCD)
- Instantaneous variables readout: 3-DGT
- Single phase variables: V, A, kW, kvar, PF
- Total energy measurements: total kWh and kvarh
- Self power supply
- RS485 dual port for daisy chain connection
- Detachable dual voltage terminal blocks
- Daisy-chain of max 20 ET272 by dual voltage terminal blocks
- Detachable serial output terminal blocks
- RJ11 connection for external TCD_M multiple miniature split-core current sensor accessories
- Mounting: DIN-rail mounting
- Overall dimensions: 4-DIN modules
- Protection degree (front): IP50